Rodillo inferior para excavadora Komatsu PC1250
Solicite un presupuesto
                                    
                                                                                                    
                                                                
                                Piezas del tren de rodaje de equipos pesados
Rodillos inferiores/ rodillos de oruga Komatsu
PT'ZM produce rodillos de oruga Komatsu diseñados para brindar durabilidad a largo plazo y un rendimiento confiable en entornos de minería y construcción
- Modelos de excavadoras Komatsu compatiblesPC1100 6, PC1100LC 6, PC1250SP 7,PC1250 7
 - Números de piezas OEM KM2503, 21N-30-00120, 21N-30-00121
 
Especificaciones técnicas
 - Descripción: Rodillo inferior / rodillos de oruga
 - Origen: China
 - Marca: PT'ZM
 - Modelo de máquina aplicable: PC1250
 - Marca de máquina aplicable: Komatsu
 - Número de pieza: 21N-30-00121
 - Certificado: GB/T19001-2016, ISO9001:2015
 - Precio: A convenir
 - Método de embalaje: Embalaje marítimo fumigado
 - Plazo de entrega: 7-30 días
 - Condiciones de pago: Transferencia bancaria (consultar otras condiciones)
 - Condiciones de envío: FOB, CIF, CFR
 - Cantidad mínima de pedido: 1 unidad
 - Capacidad de suministro: 1000 unidades/mes
 - Material: 40MnB2/42CrMo
 - Proceso de fabricación: Forjado
 - Acabado: Liso
 - Dureza: HRC48-55, profundidad 8-10mm
 - Calidad: Minería, servicio pesado
 - Periodo de garantía: 12 meses
 - Servicio posventa: Soporte técnico por video, soporte en línea
 - Color: Negro o a petición del cliente
 - Aplicación: Excavadora de cadenas
 
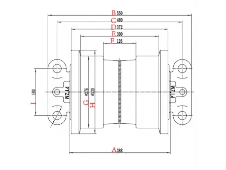
Tabla de tamaño (unidad: mm)
| PC1250 | A | B | C | D | E | 
| 388 | 550 | 480 | 372 | 300 | |
| F | G | H | I | ||
| 126 | 276 | 320 | 180 | 
Productos relacionados
                                    Comentarios
                                    
                                    
                                Otros productos
                                    
                                                            Novedades
                        Más
                                                                                                                                                                                                                                                                                                                                                                            
                                                                                                                                
                                                                                                                                
                                                                                                                                
                                                                                                                                
                                                                                                                                
                                                                                    Otros productos
                        Vídeos
                            
                                            
                                                
                                                