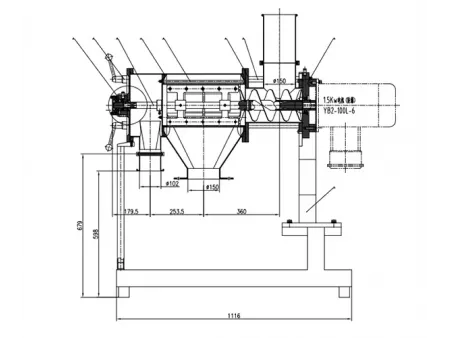
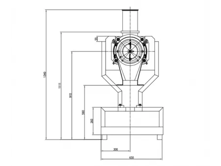
Tamiz centrífugo rotativo (eje único)
Máquina tamizadora rotativa para separar y tamizar polvos y gránulos de diversos tamaños mediante fuerza centrífuga
El tamiz centrífugo rotativo está diseñado para la separación y el tamizado precisos de polvos y gránulos mediante la acción de la fuerza centrífuga. El material se introduce en la cámara giratoria mediante un transportador de tornillo, donde cuchillas giratorias de alta velocidad clasifican y tamizan eficientemente las partículas. El material fino pasa a través de la malla hacia la cámara de recolección, mientras que las partículas de mayor tamaño se descargan automáticamente para su reprocesamiento.
Esta máquina tamizadora horizontal se utiliza ampliamente en las industrias farmacéutica, alimentaria y química para la clasificación de polvos y partículas, ofreciendo un alto rendimiento y una excelente eficiencia de producción.
| Item | Piezas de contacto del producto | Piezas sin contacto |
| Material | Acero inoxidable AISI 316L | Acero inoxidable AISI 304 |
| Acabado superficial | Ra≤0.8μm, acabado pulido | Ra ≤1.4μm, acabado rectificado |
| Soldadura | Rectificado y pulido | Decapado y molido |
| Capacidad de procesamiento | 200kg/h | |
| Velocidad de rotación | 1500rpm | |
| Potencia | 1.1kW | |
| Peso neto | 250kg | |
- Diseño completamente cerrado para evitar la contaminación del producto.
- Sin contacto entre metales durante el funcionamiento.
- Estructura de liberación rápida para un desmontaje rápido y una limpieza sencilla.
- Diseño de rodamientos herméticos para una larga vida útil.
- Control de velocidad ajustable con pantalla digital opcional.
- Diseño integrado y fácil de usar que ofrece resultados de tamizado eficientes y consistentes.
- Pigmentos
- Aditivos alimentarios
- Ingredientes farmacéuticos activos (API)
- Personalización estructural
Dimensiones y orientaciones de entrada y salida ajustables - Personalización del diseño
Opciones de selección de materiales, acabado de superficies y configuración del marco móvil - Personalización funcional
Las opciones disponibles incluyen tamaño de malla, especificaciones del motor de tamizado, integración del sistema de control, interfaz de alimentación por vacío, construcción a prueba de explosiones y sistema CIP (limpieza en el lugar) opcional.
Este tamiz centrífugo rotativo se puede combinar con nuestro sistema de alimentación por vacío y molino de martillos para crear una línea de procesamiento de polvo completa y eficiente adaptada a necesidades de producción específicas.
Para el procesamiento de polvo, también ofrecemos .

