Válvula de control para plataforma de tijera DCF20
Solicite un presupuesto
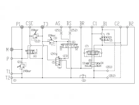
Bloques de válvula hidráulicas para un control suave de la elevación, el descenso, la dirección de desplazamiento y la velocidad del elevador de tijera
- Diseño modular y compacto, diseñado para un control hidráulico seguro y confiable.
- Bloque de válvulas patentado con válvula de contrapeso de recorrido integrada para mejorar la estabilidad general de la máquina.
- Diseñado para reducir la pérdida de presión en más del 20 % en comparación con las soluciones de válvulas de cartucho, lo que mejora la eficiencia energética y extiende el tiempo de funcionamiento.
Aplicaciones
Desarrollada para plataformas de tijera accionadas hidráulicamente, esta válvula de control gestiona todas las funciones esenciales de la plataforma de trabajo aéreo, como operaciones de elevación y descenso, control de dirección de precisión, gestión de frenos, así como ajuste de la dirección y velocidad de desplazamiento (modos rápido y lento).
Especificaciones
| Presión máxima de funcionamiento | 250bar |
| Caudal nominal | 20L/min |
| Voltaje | DC20V±10% |
| Rango de temperatura del fluido | -30℃~110℃ |
| Rango de temperatura ambiente | -30℃~110℃ |
| Tratamiento de superficies | Niquelado |
| Rango de viscosidad del aceite | ISO 20~400mm²/s |
Productos relacionados
Comentarios
Otros productos
Novedades
Otros productos
Vídeos

