Rodillo inferior para excavadora Caterpillar E345
Solicite un presupuesto
- Modelos de excavadoras Caterpillar compatibles 345B 2NW -1-UP, 345B 6MW -1-UP, 345B 6XS -1-UP, 345B ADM -1-UP, 345B AGS -1-UP, 345B AMN -1-UP, 345BL 2SW -99-UP, 345BL 4SS -1-356, 345BL 4SS -357-UP, 345BL 5WS -1-UP, 345BL 7KS -1-199, 345BL 7KS -200-UP, 345BL 9GS -1-165, 345BL 9GS -166-UP, 345D BYC-1-UP, 345D FES-1-UP, 345D L5R-1-UP, 345D NEG-1-UP, 345DL BYC-1-UP, 345DL DPA-1-UP, 345DL EEH-1-UP, 345DL HLC-1-UP, 345DL JKN-1-UP, 345DL KFH-1-UP, 345DL MLK-1-UP, 345DL NLM-1-UP, 345DL PBT-1-UP, 345DL RAE-1-UP, 345DL RAJ-1-UP, 345DL RGD-1-UP, 345DL RGG-1-UP, 345DL YEE-1-UP, 349DL FJB-1-UP, 349DL JGB-1-UP, 349DL KHS-1-UP, 349DL KLH-1-UP, 349DL NNF-1-UP, 349DL PZG-1-UP, 349DL RBJ-1-UP, 349DL RGH-1-UP, 349DL WTD-1-UP, 349EL MPZ-1-UP, 349EL MZW-1-UP, 349EL SPG-1-UP, 349EL TFG-1-UP, 349EL WHZ-1-UP, E365C
- Números de piezas OEM 123-1379, 152-4128, 178-7293, CR6590
Especificaciones técnicas
- Descripción: Rodillo de oruga
- Origen: China
- Marca: PT'ZM
- Modelo de máquina aplicable: E345
- Marca de máquina aplicable: Caterpillar
- Número de pieza: 178-7293
- Certificado: GB/T19001-2016, ISO9001:2015
- Precio: A convenir
- Método de embalaje: Embalaje marítimo fumigado
- Plazo de entrega: 7-30 días
- Condiciones de pago: Transferencia bancaria (consultar otras condiciones)
- Condiciones de envío: FOB, CIF, CFR
- Cantidad mínima de pedido: 1 unidad
- Capacidad de suministro: 1000 unidades/mes
- Material: 40MnB2/42CrMo
- Proceso de fabricación: Forjado
- Acabado: Liso
- Dureza: HRC48-55, profundidad: 8-10mm
- Calidad: Construcción y minería
- Periodo de garantía: 12 meses
- Servicio posventa: Soporte técnico por video, soporte en línea
- Color: Negro o a petición del cliente
- Aplicación: Excavadora de cadenas
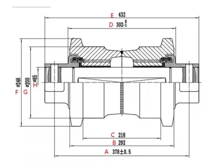
Tabla de tamaño (unidad: mm)
| E345 | A | B | C | D | E | F |
| 378 | 292 | 218 | 302 | 432 | 246 | |
| G | H | I | J | K | L | |
| 200 | 85 | 175 | 130 | 52 | 77.5 |
Productos relacionados
Comentarios
Otros productos
Novedades
Más
Otros productos
Vídeos

